²úÆ·¼ò½é£ºJD-WQX8ÐͰËÒªËØÎ¢ÆøÏóÒÇÁ¢ÒìÐԵؽ«ÆøÏó±ê×¼²ÎÊý(·çËÙ¡¢·çÏò¡¢Î¶ȡ¢Êª¶È¡¢ÆøÑ¹¡¢pm2.5¡¢pm10¡¢ÔëÉù)ͨ¹ýÒ»¸ö¸ß¼¯³É¶È½á¹¹À´ÊµÏÖ£¬¿ÉʵÏÖ»§ÍâÆøÏó²ÎÊý24СʱÁ¬ÐøÔÚÏß¼à²â
2025-02-03
Ò»¡¢²úÆ·¼ò½é
¡¡¡¡ÖÙ²©×÷ΪרҵÑб¬·¢²úÏúÊÛ΢ÐÍÆøÏóÒÇµÄÆóÒµ£¬Ò»Ö±ÖÂÁ¦ÓÚ΢ÐÍÆøÏóÒÇºÍÆøÏóÇé¿ö½â¾ö¼Æ»®ÍƹãÓ¦Ó᣾ßÓÐÍêÕûµÄÉú²úÁ´¡¢ÊµÁ¦ÐÛºñµÄ¼¼ÊõÍŶӺÍÈ«ÃæµÄÓªÏúÍŶӣ¬ÎÒÃÇÑб¬·¢²úµÄ³¬Éù²¨·çËÙ·çÏòÒÇ¡¢ÎåÒªËØÎ¢ÆøÏóÒÇ¡¢ÁùÒªËØÎ¢ÆøÏóÒǺÍСÐÍ×Ô¶¯ÆøÏóÕ¾µÈÆøÏó²úÆ·£¬Òѹ㷺ӦÓõ½ÆøÏó¼à²â¡¢¶¼»áÇé¿ö¼à²â¡¢·çÁ¦·¢µç¡¢º½º£´¬²°¡¢º½¿Õ»ú³¡¡¢ÇÅÁºËíµÀµÈÁìÓò£¬¿Í»§±é²¼È«¹ú¸÷µØ£¬²¢È¡µÃÁËÁ¼ºÃµÄÉç»áÐ§ÒæºÍ¾¼ÃÐ§Òæ¡£
¡¡¡¡Óë¹Å°åµÄ΢ÐÍÆøÏóÒÇÏà±È£¬ÎÒ˾²úÆ·¿Ë·þÁ˶Ը߾«¶È¼ÆÊ±Æ÷µÄÐèÇó£¬ÖÆÖ¹ÁËÒò´«¸ÐÆ÷Æô¶¯ÑÓʱ¡¢½âµ÷µç·ÑÓʱ¡¢Î¶ȱä¸ï¶øÔì³ÉµÄÕÉÁ¿½û¾øÎÊÌâ¡£
¡¡¡¡JD-WQX8ÐͰËÒªËØÎ¢ÆøÏóÒÇÁ¢ÒìÐԵؽ«ÆøÏó±ê×¼²ÎÊý(·çËÙ¡¢·çÏò¡¢Î¶ȡ¢Êª¶È¡¢ÆøÑ¹¡¢pm2.5¡¢pm10¡¢ÔëÉù)ͨ¹ýÒ»¸ö¸ß¼¯³É¶È½á¹¹À´ÊµÏÖ£¬¿ÉʵÏÖ»§ÍâÆøÏó²ÎÊý24СʱÁ¬ÐøÔÚÏß¼à²â£¬Í¨¹ýÊý×ÖÁ¿Í¨Ñ¶½Ó¿Ú½«°ËÏî²ÎÊýÒ»´ÎÐÔÊä³ö¸øÓû§¡£²úÆ·½á¹¹½ô´Õ£¬ÍâÐÎÃÀ¹Û¡¢´ó·½¡¢¸ß¶È¼¯³É¡£
¶þ¡¢²úÆ·ÌØµã
1¡¢¶¥¸ÇÒþ²ØÊ½³¬Éù²¨Ì½Í·£¬ÖÆÖ¹ÓêÑ©¾Û¼¯µÄ×ÌÈÅ£¬ÖÆÖ¹×ÔÈ»·çÕÚµ²
2¡¢ÔÀíΪ·¢ÉäÁ¬Ðø±äƵ³¬Éù²¨Ðźţ¬Í¨¹ýÕÉÁ¿Ïà¶ÔÏàλÀ´¼ì²â·çËÙ·çÏò
3¡¢·çËÙ¡¢·çÏò¡¢Î¶ȡ¢Êª¶È¡¢ÆøÑ¹¡¢pm2.5¡¢pm10¡¢ÔëÉù°ËÒªËØÒ»Ìåʽ
4¡¢½ÓÄÉÏȽøµÄ´«¸Ð¼¼Êõ£¬ÊµÊ±ÕÉÁ¿£¬ÎÞÆô¶¯·çËÙ¡î
5¡¢¿¹×ÌÈÅÄÜÁ¦Ç¿£¬¾ßÓп´ÃŹ·µç·,×Ô¶¯¸´Î»¹¦Ð§,°ü¹ÜϵͳÎȶ¨ÔËÐÐ
6¡¢¸ß¼¯³É¶È£¬ÎÞÒÆ¶¯²¿¼þ£¬ÁãÄ¥Ëð
7¡¢Ãâά»¤£¬ÎÞÐèÏÖ³¡Ð£×¼
8¡¢½ÓÄÉASA¹¤³ÌËÜÁÏÊÒÍâÓ¦ÓÃÖÕÄêÎȶ¨É«
9¡¢²úÆ·Éè¼ÆÊä³öÐźűêÅäΪRS485ͨѶ½Ó¿Ú£¨MODBUSÐÒ飩£»¿ÉÑ¡Åä232¡¢USB¡¢ÒÔÌ«Íø½Ó¿Ú£¬Ö§³ÖÊý¾Ýʵʱ¶ÁÈ¡¡î
10¡¢¿ÉÑ¡ÅäÎÞÏß´«ÊäÄ£¿é£¬×îС´«Êä¼ä¸ô1·ÖÖÓ
11¡¢Ì½Í·Îª¿¨¿ÛʽÉè¼Æ£¬½â¾öÁËÔËÊä¡¢×°ÖÃÀú³ÌËɶ¯½û¾øµÄÎÊÌâ¡î
Èý¡¢¼¼Êõ²ÎÊý
1¡¢·çËÙ£ºÕÉÁ¿ÔÀí³¬Éù²¨£¬0¡«60m/s£¨¡À0.1m/s£©Çø·ÖÂÊ0.01m/s£»
2¡¢·çÏò£ºÕÉÁ¿ÔÀí³¬Éù²¨£¬0¡«360¡ã£¨¡À2¡ã£©£»Çø·ÖÂÊ£º1¡ã£»
3¡¢¿ÕÆøÎ¶ȣºÕÉÁ¿ÔÀí¶þ¼«¹Ü½áµçѹ·¨£¬-40-80¡æ£¨¡À0.3¡æ£©£¬Çø·ÖÂÊ0.01¡æ£»
4¡¢¿ÕÆøÊª¶È£ºÕÉÁ¿ÔÀíµçÈÝʽ£¬0-100%RH£¨¡À3%RH£©,Çø·ÖÂÊ£º0.1%RH£»
5¡¢´óÆøÑ¹Á¦£ºÕÉÁ¿ÔÀíѹ×èʽ£¬300-1100hpa£¨¡À0.25%£©£¬Çø·ÖÂÊ0.1hpa£»
6¡¢PM2.5£º0-1000ug/m3£¨¡À10%£©
7¡¢PM10£º0-1000ug/m3£¨¡À10%£©
8¡¢ÔëÉù£º30-120dB£¨¡À1.5dB£©
9¡¢¹¦ÂÊ:0.72W
10¡¢À¶ÑÀ£ºÄÚÖÃÀ¶ÑÀÄ£¿é£¬¿ÉÁ¬°²×¿ÊÖ»ú£»
11¡¢ÓÐÏß´«Ê䣺485תUSB£¬¿ÉÖ±Á¬µçÄÔ£»
12¡¢Êý¾Ý´æ´¢£º²»ÉÙÓÚ50ÍòÌõ£»
13¡¢Éú²úÆóÒµ¾ßÓÐISOÖÊÁ¿ÖÎÀíÌåϵ¡¢Çé¿öÖÎÀíÌåϵºÍÖ°Òµ½¡¿µÖÎÀíÌåϵÈÏÖ¤¡î
15¡¢Éú²úÆóҵΪ3A¼¶ÐÅÓÃÆóÒµ¡î
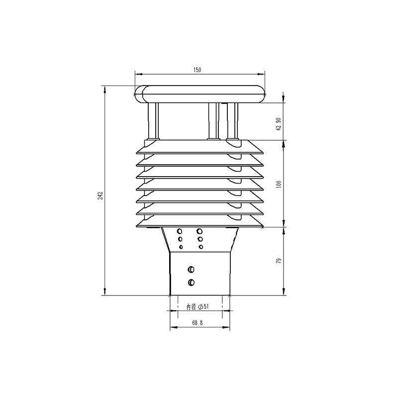
ËÄ¡¢²úÆ·³ß´çͼ

Îå¡¢²úÆ·½á¹¹Í¼

1¡¢¿ØÖƵç·
2¡¢Ö¸±±¼ýÍ·
3¡¢³¬Éù²¨Ì½Í·
4¡¢°ÙÒ¶ÏäPM2.5¡¢PM10
5¡¢Î¶ȡ¢Êª¶È¡¢ÔëÉù¡¢ÆøÑ¹¼à²âλÖÃ
6¡¢·¨À¼×ª»»Í·
¡ù´Ë²úÆ·¿ÉÑ¡Åäµç×ÓÂÞÅ̹¦Ð§
Áù¡¢²úÆ·½ÓÏß½ç˵
½ç˵ | ±¸×¢ | |
VCC | µçÔ´Õý | DC12V |
GND | µçÔ´µØ | |
485A | RS485A | |
485B | RS485B |